LED 燈
Toggle navigation
首 頁
產品介紹
關於我們
企業概況
企業介紹
企業集團
人才招募
語言
日文
與我們聯絡
日機
購物網站
高壓噴水頭-埋入式
高壓噴水頭產品一覧表
一般型
埋入式
斜噴式
超高壓型
高壓噴水頭-埋入式
Home
產品介紹
高壓型噴水頭介紹
埋入式
埋入式(NND15)
訂購產品
由於埋入式的設計,在狹小的空間內也能進行設置,並可防止與其他噴水頭相互干擾。
螺紋規格:埋入式
傾斜角度:±30°
耐壓:2MPa
標準機種一覧表
(耐壓:水壓 2MPa)
規格
主要尺寸(mm)
商品型號
D
d
L
圖面
備考
NND15
15
4
8
PDF
DXF
請聯繫銷售人員以獲取其他特殊標準。
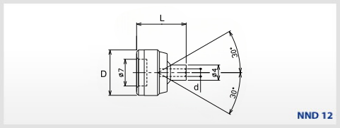
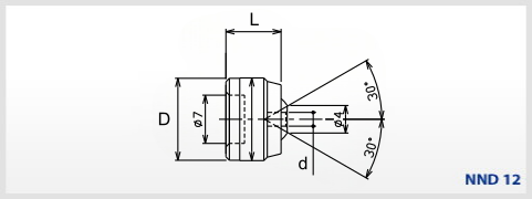
埋入式 (NND12)
由於埋入式的設計,在狹小的空間內也能進行設置,並可防止與其他噴水頭相互干擾。
螺紋規格:埋入式
傾斜角度:±30°
耐壓:2MPa
訂購產品
標準機種一覧表
(耐壓:水壓 2MPa)
規格
主要尺寸(mm)
商品型號
D
d
L
圖面
備考
NND12
12
2
8
PDF
DXF
請聯繫銷售人員以獲取其他特殊標準。
NND12-05
12
2
13
PDF
DXF
NND12-10
12
2
18
PDF
DXF
NND12-15
12
2
23
PDF
DXF
埋入式 (NND16 / NND22)
訂購產品
由於埋入式的設計,在狹小的空間內也能進行設置,並可防止與其他噴水頭相互干擾。
螺紋規格:埋入式
傾斜角度:±35°
耐壓:2MPa
標準機種一覧表
(耐壓:水壓 2MPa)
規格
主要尺寸(mm)
商品型號
D
d
L
圖面
備考
NND16
16
4
21
PDF
DXF
請聯繫銷售人員以獲取其他特殊標準。
NND22
22
4
18.7
PDF
DXF
聯絡我們
週一至週五 9:00~18:00
04-2358-5155
寫信給我們
歡迎隨時與我們聯絡。